Járvány ide vagy oda, a honlapnak akkor is futnia kell. 🙂 Persze nem győzzük hangsúlyozni, érdemes – pláne mostanság – közösségi oldalunkat is nézegetni, lévén oda gyakrabban kerülnek ki mindenféle izgalmas anyagok.

A szovjet gyártású A-7 berendezés
Az alanti jó nagy, szándékosan a ráérősebb hétvégére időzített cikkért ismét remek író- és ápolttársunknak, HA8BDE Dénes Om-nak tartozunk köszönettel. Dénestől már korábban is számos remek publikációt közöltünk, s olvasóink természetesen most sem fognak csalódni…
Az R-10 előzménye: a szovjet A7 rádió
A Szovjetunióban 1940-ben elkészítették az A-4 típusú ultrarövidhullámú rádióállomást, melynek kipróbálása várakozáson felül jó eredményt hozott. Az eszköz egy Watt adóteljesítménnyel, amplitúdó modulált jelekkel dolgozott, rendkívül magas frekvenciastabilitással és biztosította az összeköttetést nyolc kilométer távolságra. Az A-4 alapkészülékre 1941 őszén kezdték kidolgozni az első frekvenciamodulált URH rádióállomást, a tízlámpás A-7-et, melyet lövészdandártól és lövészezredtől lefelé, alegységek viszonylatában használtak.
A teljes állomást két fő szállította fából készült ládákban.
Frekvencia terjedelem: A7a: 27-32 MHz-ig
A7b: 24-28 MHz-ig
Üzemmód: csak telefon,
Moduláció: FM (frekvenciamoduláció)
Áramellátás: 2,4 Voltos NiCad akkumulátor és száznyolcvan Voltos szárazelem. (Külön szállítóládában.)
Csövek: 2,4 Volt fűtésű telepes csövek
Az A-7 készüléket 1942 őszétől adták ki a csapatoknak a szovjet frontokon, a gyártás 1943 végén elérte a havi ezer-ezer- ezerkétszáz darabot. Az állomást folyamatosan modernizálták, 1944 elején megjelent az A-7-A, amelyben csökkentették az elektroncsövek számát és így harminc százalékkal apadt az energiafogyasztás. 1944 decemberében megjelent az A-7-B, nagyobb hatósugarú működéssel. Ebben először alkalmazták hordozható állomásban az un. „szabadon futó” antennát. (Valószínűleg haladóhullámú antennáról van szó. B.D.)

A-7b készülék faládában
A Magyar Néphadsereg R-10 típusú (kis) rádióállomása
Gyártó: (ifj. Veress Gyula szerint) Standard-BHG
1948-1952 között
Frekvencia terjedelem: 20–32 MHz
Hullámterjedelem: 9,4-15 méterig
Üzemmód: távbeszélő
Moduláció: frekvencia moduláció
Kivitelezés: adó-vevő és telepek közös dobozban,
Táplálás: 1,5 és két darab kilencven Voltos száraz telep
Antennateljesítmény, max: 0,8 Watt (amely lám mire elég… 🙂 )
Hatótávolság: Sík terepen Botantennával tizenkét kilométer
félrombusz antennával tizennégy kilométer
Üzemidő: nincs adat
Antennák: öt tagú botantenna + félrombusz (huzal)
Szállítása: háton 1 fő
Kiszolgáló létszám: egy-két fő
Telepítési idő: maximum tíz perc
Tömeg: tizennyolc kg
Rendszeresítve: 1952 (?)
A készülék a szovjet A7 és A7b készülékekkel volt képes együttműködni, azok korszerűsített, magyar változataként. Távrábeszélés TBK készülékkel lehetséges, több kilométer távolságról, a vételről adásra váltást a rádiókezelőnek kellett végeznie. 1962-ig használták a Néphadseregben. Csövezése: hét 1T4T, négy 1L4 és egy 3A4.

R-10 rádiókészülék (Kollár Ernő felvétele)
Tervezését a Telefongyár kollektívája végezte, de a gyártást más cégnek vélhetően a Standard Villamossági RT.-nek adták át. (Jelenleg nincs pontos információnk, hogy ki gyártotta.) Az R-10-be szerelt rezgőköröket – akkor egyedülálló módon – csigatekercsekkel alakították ki — azaz a hangolását nem forgókondenzátorokkal, hanem a közös tengelyre szerelt csigatekercsek forgatásával végezték. Viszonylag nagy frekvenciastabilitást értek el, de a sok használattól a leszedő érintkezők idővel meghibásodtak. Állítólag a maga idejében ez a hangolható spiráltekercs világ csodája volt, a szakma felsőfokon nyilatkozott róla, később Rhode-Schwartzék a kis URH térerőmérőjükben hasonló megoldással jelentek meg. Az bizonyos, hogy nem könnyű javítani és a megbízhatóságot mindenek fölé helyező szovjetek nem alkalmaztak ilyen módszereket. A készüléket gyártás-centrikusan konstruálták, a részelemeket előre legyártották, majd szegecseléssel rögzítették és összevezetékezték. Ennek következtében a javítás vagy alkatrészcsere szinte lehetetlenné vált, csak a hozzáférhető alkatrészeket lehet kiváltani.

A Vevő-oszcillátor csigatekercse – a szerző felvétele
Az ismert hazai katonai rádiók közül ezt a készüléket gyártották először modul-rendszerben. A fő blokkot a csigatekercsek és azok meghajtó mechanizmusa képezte, ehhez csatlakozott hátulról a vevő KF és HF blokkja, alulról az adórészt és a vevő oszcillátort tartalmazó panel. Az előlapot is előre szerelt egységként gyártották és szerelték be. Érdekes volt a telep táplálás megoldása. Két teljesen egyforma kilencven Voltos anódtelepet használtak benne, melyekből az egyik nyolcvannégy Voltot adott a vevő részére, adáskor viszont sorba kapcsolódott vele a másik áramforrás, így biztosítva az adónak szükséges százötven Voltot. Mivel a készülék többnyire vételen volt, az első telep hamarabb kimerült. Ilyenkor megcserélve a két telepet, még további üzemórákat lehetett biztosítani. Ez a telep is korszerű termék volt, nem a hagyományos cink-poharas szárazelemekből állították össze (mint például az R-20-ét) hanem műanyag fóliában, lapos tablettákat képeztek a barnakőből és alul cinklemezzel, felül más vezető anyaggal zárták le a tablettát. A kész példányokat egymásra rakva oszlopokat állítottak össze. A kilencven Voltot három oszlop állította elő. Lényeges megjegyezni, az R-10 gyártásával egy időben hasonló modul-rendszerben készült fixfrekvenciás URH adó-vevőt készített ugyanez a gyár a BM rádióhálózata részére, csak ellentétben az R-10-el nagyobb teljesítményre és hálózati üzemre.

Az R-10 rádiókészülék belseje – a szerző felvétele
Az R-10 készüléktípus 1962-ig rendszerben volt, a lövész csapatoknál korábban lecserélték, a műszakiaknál 1962 tavaszán szűnt meg az alkalmazása. A maga idejében korszerűnek tartották, ez volt a hadsereg alegységeinek egyetlen frekvencia modulált és (majdnem) URH készüléke.

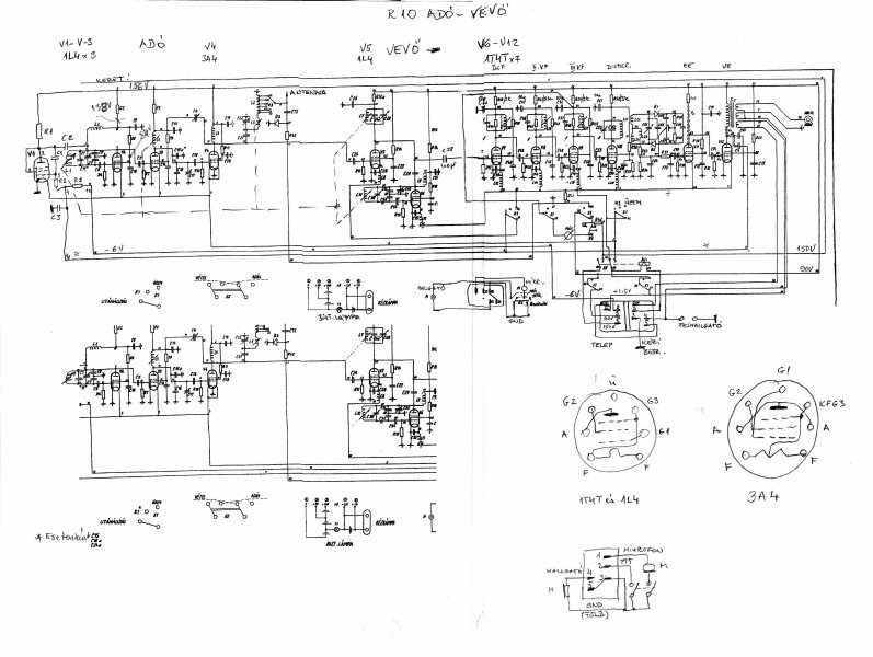
Az R-10 adó-vevő részletes kapcsolási rajza
Az R-20 előzménye: a szovjet RBM-1 rádió
Az RBM adóvevőt a II. Világháború alatt a Szovjetunióban fejlesztették ki. A két egységből álló készüléket földi állomásként lövészezredtől hadosztályig illetve tüzérdandártól hadosztályig terjedő összeköttetésre használták. A készülék két különböző egységet foglal magába: az adóvevőt és a teleptartó keretet, ládának látszó fiókban. Az RBM-1-et az 1940-es évek végén az 50-es évek elején fejlesztették és alkalmazták. Később megtalálható volt a Szovjetunióval szövetséges országokban is.
Frekvenciaterjedelem: 1,5-5 MHz-ig,
Nagyfrekvenciás kimenő teljesítmény: AM 0,3 Watt
CW egy Watt.
Telepek: 2,4 Volt NiCad akkumulátor és kétszáznegyven Voltos szárazelem.
Alternatív lehetőség a vibrátoros anódpótlóról tápellátás
Csövek: 2,4 Volt fűtésű telepes kivitelek
A készülékben külön hangolható a vevő rész és külön az adó. Egy
ötszáz kHz-es marker oszcillátor volt beépítve a vevő skála hitelesítésére.

RBM-1 szovjet katonai adó-vevő
Az RBM-nél különálló, külön hangolható rezgőkörök szolgálták az adót és a vevőt. Frekvenciájuk leolvasása is külön skálán történt. Ez lehetővé tett olyan üzemet, ahol a vétel és adás más frekvencián történt, például reléállomásként történő felhasználást, bár a használók, ilyen kis teljesítmény mellett ettől az alkalmazástól nyilván eltekintettek.
A II. Világháborút két magyar gyártású katonai rádiókészülék típus élte túl, az R/3 és az R-7/a készülékek. (Valójában az R/3, az R/4, az R/5a és R/5b, az R/6, az R/7ab és az R/14 készülékek voltak. Persze az igazsághoz hozzátartozik, hogy a legtöbb az R/3, az R/6 és az R/7 adó-vevőkből maradt, a két darab R/14-et csak azért említjük, mert azt maga a legfelső hadvezetés alkalmazta – a szerk.) Az RBM-1 úgy került a képbe, hogy a negyvenes évek végén a Szovjetunió átadott a Magyar Néphadseregnek néhány ilyen zsákmánykészüléket. A szerveződő Néphadsereg ezeket a megmaradt példányokat kezdte használni, majd 1950 körül döntés született új és korszerű rádiótípusok fejlesztéséről és gyártásáról. Az akkor már nehézkes és korszerűtlen R-3 helyett, a hasonló hullámtartományban dolgozó R-20 jelzésű készüléket rendszeresítették. Az új magyar könnyűrádiónak tudni kellett az RBM rádiókkal kapcsolatot tartani, akár a néphadseregen belül, akár a szomszéd, szövetséges hadseregek rádiójaként.

Jól láthatók a külön adó és vevő rezgőkörök az RBM-nél
A Magyar Néphadsereg R-20 típusú (könnyű) rádióállomása.
Az R-20 készülék tervezése 1950-ben történt, az első sorozat gyártása 1951-re tehető. Érdekes információval szolgál az „Utasítás R/20 rádióállomáshoz” című könyvecske: „Az R/20 rádiókészülék korszerű, könnyű rádió. Hadosztálytól a zászlóaljig, esetleg zászlóalj-század viszonylatban alkalmazzuk. A készülék szerkesztésénél figyelembe vették a Szovjetunió dicsőséges Vörös Hadseregének élenjáró haditechnikáját, valamint a Nagy Honvédő Háború győztes hadifegyvereit, ennek következtében az R/20 rádiókészülék kielégíti a korszerű könnyűrádióval szemben támasztott követelményeket. …. Hullámterjedelme: azonos az RBM-1 rádiókészülékével, vagyis 1,5 Mc-tól 5 Mc-ig (200 m-től 60 m-ig) terjed, ami megfelel a 60-200 rögzített (Szovjet), illetve 186-612 magyar folyószámoknak.”
A valóságban a Magyar Néphadseregben hadosztálytól zászlóaljig az R-30 közepes rádiót alkalmazták, az R-20 erre a célra már alkalmatlan volt.
Az élenjáró szovjet haditechnikáról szóló szöveget, pedig annak idején minden ilyen kezelési utasításban, úgyszólván kötelezően le kellett írni. Például a dobtáras (helyesebben csigatáras) PPS géppisztoly ismertetésében is ez a szöveg volt olvasható, azzal a kiegészítéssel, hogy a „II. Világháború győztes fegyvere”!
R-20 RBM-1
Frekvencia tartomány 1,5 – 5,0 Mc 1,5 – 5,0 Mc
Frekvencia körzetek száma 2 2
Hangolás közös rezgőkörrel külön rezgőkörökkel
Hangolás jelzés izzóval izzóval
Adó teljesítmény távbeszélő 0,25 W 0,25 W
Adó teljesítmény távíró 0,8 W 1,0 W
Csövek száma 10 8
Csövek fűtése 1,4 V 2,4 V
Anód feszültség 150 V
Málházás 2 egység 2 egység
Telep elhelyezés Adó-vevőben 2. egységben
A 2008-as Rádiótechnika Évkönyvben megjelent „A Telefongyár története” című cikkben, szerzők (Kóger László és Simoncsics László) megszólaltatták az R-20 készülékgyártás egyik irányítóját, Gálusz Antalt. Elbeszélése rávilágít a kor körülményeire és az akkori szakmai színvonalra.
A készülék konstruktőre Konrád Guidó mérnök volt, aki a negyvenes évek magyar rádiógyártási hagyományainak kívánt megfelelni. A Telefongyárban azonban hiányoztak bizonyos tapasztalatok. Már az első szériát vissza kellett rendelni és újra huzalozni, csőfoglalat bekötési hibák miatt, majd később egyéb gondok is kiderültek. Az R-20 első kiadásának állandó problémája volt a telepcsatlakozók rossz érintkezése. Elsőnek az anódtelep csatlakozót hagyták el a készülékből és helyére, állandóra beforrasztott kábelt alkalmaztak. Ez az átalakítás vélhetően a Hírműhelyekben történt, túl kicsi munka volt ahhoz, hogy egy gyárat igénybe vegyen.

R-20 Anódtelep csatlakozó – első verzió

Módosított verzió

Egy első kiadású R-20 készülék, már anódtelep csatlakozó nélkül
Néhány egyéb probléma is jelentkezett, így a második, módosított változat gyártásánál a telepcsatlakozókat teljesen elhagyták, a távrábeszélés komplikált átkapcsolója helyett fix bekötést alkalmaztak, a skála optikai nagyítóját nagyobbra cserélték és módosították a skálát fedő kör alakú lemezt is. A vevő oszcillátor (egyik) hangoló forgókondenzátorát elhagyták.
(Teljesen felesleges volt a nagy, frekvenciabeállító forgó és a „kereső” forgó után, a egy harmadik, úgynevezett „Vevő-hangoló” forgó…)
Egyesítették a hangfrekvenciás transzformátorokat: a kimenő transzformátort és a DLL 101 modulátorcső bemeneti transzformátorát összevonták. Így három helyett csak kettő van a módosított készülékekben.
Az adás-vételt kapcsoló reléből egy mechanikusan erősebb típus került beépítésre, a kvarc-oszcillátor 1T4T elektroncsövét a sasszé alól, felülre helyezték… Az addig négyszögletes nagyítóüveget kör alakúra és nagyobbra váltották, így a skála számai jobban láthatók – s az előlap kiemelő fogantyúi is esztergályozott rudak lettek.

R-20 Skála leolvasó nagyítók, balra az első, jobbra a módosított változat
Érdekes az alkatrészek származása. Mivel a magyar ipar azokban az években még a kereskedelemben kapható műsorvevő rádiókhoz sem tudott megbízható cuccokat szállítani, az R-20-ban alkalmazott valamennyi ellenállás Siemens gyártmányú és a kondenzátorok is Sicatrop (Siemens) és Rosalt (Rosenthal) is külföldiek. Még nehezebbnek tűnik a konstruktőr feladata, ha megnézzük a szovjet RBM-1-et. Teljesen nyilvánvaló, hogy az RBM mintájára, annak harcászat-technikai adatainak és tulajdonságainak megfelelő, de színvonalasabb és takarékosabb adó-vevőt kellett alkotni. Sok hasonlóságot, lemásolt alkatrészeket, azonos teljesítményt és frekvencia terjedelmet találunk, de számos különbséget is. Azonos a hangoló lámpa és kapcsoló gombja, az antennaszigetelő és az ellensúly csatlakozó szerelvény, és a kezelő szervek száma, hiszen mindkét lomhalmon tíz-tíz forgatógombot, átkapcsolót, nyomógombot találunk.
Érdemes szót ejteni a forgókondenzátorokról. Az RBM-ben úgy a vevő, mint az adó rezgőkörökben külön hármas-forgó végzi a hangolást és az antennára hangolást is így oldották meg. Az R-20-nál egy közös négyes-forgót alkalmaztak, ez közelítőleg szinkronban hangolta az adót és a vevőt, az antenna kihangolásánál azonban „megtakarítottak” egy ilyen alkatrészt és egy tekercsben mozgatott fémdugóval lehet illeszteni a cájgot. Bár ez jól működött, szegényes és veszteséges megoldásnak tűnik…
Az izzólámpára hangolás tulajdonképpen nagyon olcsó és szellemes megoldás, de óvatosan kell végezni, ugyanis az izzószál lassan izzik fel, a gyors változásokat nem tudja követni. Az RBM konstrukciójának követésével eltűnt a készülékből a forgótekercses műszer, amely egy átkapcsoló segítségével lehetővé tette volna a tápfeszültségek ellenőrzését. Az R-3-ban létezett ez, de az R-20-ból kimaradt, s egy külön Aluniv-ot kellett rendszeresíteni a munkához.
R-20 Technikai adatok:
Gyártó: Telefongyár 1950-1952
Frekvencia terjedelem: 1,5 MHz – 5,0 MHz-ig
Hullámterjedelem: 60 m – 200 m-ig
Üzemmód: távbeszélő és távíró
Moduláció: amplitúdó moduláció
Kivitelezés: adó-vevő és telepek közös dobozban,
tartozékok külön dobozban.
Táplálás: száraz telepről
Antennateljesítmény, max: 0,8 Watt
Hatótávolság: síkon bottal távbeszélőben tíz kilométer
dipóllal távbeszélőben húsz kilométer
botantennával CW-ben harminc kilométer
dipóllal távíróban ötven kilométer
Üzemidő: nincs adat, elméletileg tíz óra
Antennák: öt tagú botantenna csillaggal vagy dipól
Szállítása: háton, két baka
Kiszolgáló létszám: telepítés két-, üzemelés egy katona
Telepítési idő: tíz perc
Tömeg: Adóvevő 16,5 tartozék láda tizenöt kilogramm
Rendszeresítve: 1951
Az állomás tartozéka volt az „ALUNIV” rajműszer, mellyel a telepek feszültségeit lehetett ellenőrizni. A gyakorlott távírász azonban nem cipelte magával a műszert, tapasztalatból tudta mikor kezdenek lemerülni a telepek, mikor kell cserélni azokat. Másik fontos tartozék volt egy katonai zseblámpa. Éjszaka, fényforrás nélkül a távírász az üzeneteket sem adni, sem venni nem tudta, sötétben legfeljebb a távbeszélő üzem működött. Egy kis nyomógomb megnyomásával a skálát belülről lehetett megvilágítani, de az antennahangoláshoz, szereléshez már szükséges volt a külső fényforrás.

ALUNIV rajműszer

Katonai elemlámpa
Alant következzék pár olyan szerelvény, melyek hasonlítanak a fentebb említett RBM megoldásaihoz:




Hasonló a nagyító-optika, ami a skála leolvasást könnyítette, majdnem azonosak a fogantyúk, melyekkel ki lehetett emelni a készüléket a dobozából és szinte patika mód ül a kimenő teljesítmény is a maga csaknem egy Wattjával. A kézibeszélő illesztését lemásolták, de a telep csatlakozót, mely az RBM-nél szinte teljesen azonos a kézibeszélővel, megváltoztatták, majd később teljesen elhagyták. Az R-20 csövezése: 1T4T, 3A4, 1R5T, 1S4T, DLL101 színüveg, miniatür csövek. Hatótávolságán belül kapcsolatot tartott R-30 és R-40 rádiókészülékekkel. Század-zászlóalj közötti alkalmazásra 1961-ig használták a Néphadseregben.

Az R-20 kapcsolási rajza

Az R-20 rádió módosított változata (Kollár Ernő felvétele)
Nem vált be az R-20-ban (és R-10-ben) a miniatűr telepes csövek alkalmazása. A készülékben bőven volt hely nagyobb csöveknek, és a Tungsramnak volt egy jóval masszívabb, D-25-ös sorozatszámú fejlesztése, melyet csak nagyon elvétve alkalmaztak. 1951-ben azonban az új miniatűr csöveket kellett beszerelni, mert a Tungsramnál ezek voltak gyártásban. Ezek rosszul bírták az ütéseket és a hirtelen hőmérséklet-változásokat, gyakran széttörtek, gázosodtak. Katonai alkalmazásuk nem volt szerencsés, a későbbi (R-105 stb.) készülékeknél fel sem vetődött ilyenek alkalmazása.
A készülék hangolása meglehetősen komplikált volt: kristály-oszcillátorral először a vevőt, majd a vevőhöz az adót kellett hangolni. Az oszcillátorban alkalmazott különböző hőfoktényezőjű kerámia kondenzátorok (Rosalt 40 és Rosalt 90) ellenére a freki gyakran elmászott és az ellenállomásra a kereső kondenzátorral kellett ráállni.

Az R-20 adóvevő kiemelve a dobozából
Az üzemmód kapcsoló feleslegesen komplikáltra sikerült, kapcsolta a fűtést és az anódfeszültséget, külön a kristály-oszcillátort, a szűkítő sávszűrőt, távíró oszcillátort, hangolásnál az adót stb. Mindez jelentős hibalehetőséget adott, a körzetkapcsoló négyszer-két áramkörétől függetlenül további öt Jaxley tárcsán még tíz áramkört vett igénybe.
Ugyancsak nehézkes volt a rádió kezelése. Hasonlóan az RBM-hez tíz szerve volt (a hangoló-lámpa nyomógombját is beleértve, de nem számítva a kézibeszélő váltó kapcsolóját és a távíróbillentyűt) ezek használata alapos kiképzést és tapasztalatot igényelt.
Az R-20-nál találtam egy furcsa megoldást: az üzemmód kapcsoló TÁVI II. állásában semmi más nem történik, mint hogy a vevő végcső anódja és rácsköre közé bekapcsolódik egy 2500 pF kondenzátor. Elvileg negatív visszacsatolást hozna létre, gyakorlatilag viszont néha pozitívet és a fokozat 1000 Hz-en begerjed. A kezelési utasítás szerint, a TÁVI-II. üzemmód szűkített sávú távíró vétel, a zavarok kiszűrésére. Amikor jól működik, akkor sem tapasztalni jelentős javító hatást.
A teleppel való takarékosságot úgy vélték megoldani, hogy érzékeny vevőt és gyenge adót alkalmaztak. Ez már a II. Világháborúban sem vált be, egyetlen előnye az volt, hogy az ellenség sem hallott semmit… Mai szemmel nézve legalább négy Watt adó-teljesítmény lett volna indokolt.
Az alumínium pálcákból összecsavarható antennával az volt a baj, hogy gyalog menetben, terepen, ha beakadt valamibe, nagyon könnyen eltört. Az alumíniumba vágott menetek berágódtak, nehezen lehetett szét vagy összecsavarni őket. A vezetőállomástól távolabbra (öt-tíz kilométerre) kihelyezett távírászok inkább dipól-antennát építettek, a bot alkalmazása reménytelen volt.
Az R-20 állomás modernizált (?) keveréke lett az R/3-nak és az RBM-nek, de sajnálattal kell leírnunk, hogy az említett készülékek előnyei helyett inkább a hátrányok domináltak… Miközben az R/3-hoz képest durván tíz százalékkal csökkent a súly, ugyanakkor elveszett a megbízható üzemet biztosító, nagyteljesítményű NiFe akkumulátor és a töltési lehetőséget adó kézi generátor. Nem véletlen, hogy a NiFe-akkumulátor és a beépített műszer az R-105-el újból visszajött…
Az utolsó hadgyakorlatokon, ahol még R-20-at alkalmaztak, a kihelyezett állomás távírászai az előírtnál több tartalék telepet vittek magukkal, d inkább a saját szerelvényeiket hagyták el… A telepek minőségével gond volt, a rendszerből való kivonással egyidejűleg a telepgyártás is leállt és az ellátó Szertár kiadta a régi, hűtőházban tárolt példányokat. Ezek azután rekordidő alatt lemerültek.
1961 tavaszán az Ercsiben települt hidász zászlóalj híradó századánál még szerző is kapott R-20 (és R-10) kiképzést. Ezek a készülékek nagyon jól működtek tanteremben, vagy terepen 1-2 kilométerre, amikor táviratváltást gyakoroltak. Az olyan feladatokat viszont, amikor menetoszlop áthaladását kellett jelezni a húsz-huszonöt kilométerre lévő R-30 vezető állomásnak, már nem tudták megoldani.
Az 1962-es a hadgyakorlatok menetüteme felgyorsult, elvileg megkövetelték országúton az óránkénti hetven kilométeres sebességet. Ezt a gépkocsik sem mindig tudták teljesíteni, de a rádióösszeköttetés a gyenge R-20 állomásokkal gyakorlatilag húsz perc alatt megszakadt.
A HM egyik műszaki alakulatánál Ercsiben, az R-20 készülékeket 1961 őszén vonták be. A híradó katonák örültek az intézkedésnek, mert e lomok használhatósága igen mérsékelt volt.
A leszerelt adó-vevők az MHSZ rádióklubokhoz kerültek, ahol a magyarországi rádióamatőr-élet szigorú (?) szabályai szerint csupán vevőkészülékként engedték meg a használatukat, az adót ki kellett szerelni. Egy hozzám került példányban ezt olyan buzgalommal hajtották végre, hogy még a vezeték-köteget is kivágták, s inkább új huzalozást készítettek a megmaradt részeknek. Bár a hatvanas évek elején a legtöbb R-20-at lebontották, az utasítások ellenére néhány épségben vészelte át az elmúlt negyven évet.
A Diósdi Rádió – Televízió Múzeumban és a volt Bólyai Katonai Műszaki Főiskola Rádiómúzeumában megőriztek egy-egy R-20-at, mindkettő a módosított sorozatból származik.
II. Osztályú vevőkészülék
Gyártó: Telefongyár (?)
Frekvencia terjedelem: 150 kHz – 11 MHz
Hullámterjedelem: 200 m – 27 m-ig
Folyószámok: nincsenek, a skála frekvencia-osztásos
Üzemmód: távbeszélő, hangzó távíró és távíró
Moduláció: amplitúdó moduláció
Kivitelezés: R-20 dobozba építve, háton hordható
Táplálás: száraz telepekről
Üzemidő: nincs adat
Antennák: mint az R-20-nál
Szállítása: háton egy ember
Kiszolgáló létszám: üzemeléshez egy ember – váltásban három
Telepítési idő: öt perc
Tömeg: tizenhat kilogramm
Rendszeresítve: 1952 (?)

Az R-20-ból kialakított II. osztályú vevőkészülék

A II. osztályú vevőkészülék belseje
Az R-20 dobozban csak a telepek számára volt hely, ezért a huzalantennát, a tartalék telepeket és a fejhallgatót egy másik dobozban kellett szállítani. A felhasználási köre szerint tüzérségi (tűzvezető) vevőnek vagy légvédelmi riasztási háló részére tervezték.
Mára ennyi fért bele, de hamarosan érkezünk az egyéb izgalmakkal. És megismételjük magunkat: nézegessétek gyakorta közösségi oldalunkat is!
73!
HA8BDE
Dénes
