Zárul Dénes mókatára – azaz véget ért az R-30-as rádióállomásról készült sorozatunk. Ha tetszett, az nagy örömünkre szolgál, lévén HA8BDE Dénes valóban óriási munkát fektetett a cikk megírásába. A szerkesztő e helyt is köszöni Neki tevékenységét, s egyben kifejezi abbéli óhaját, hogy hamarosan újabb és újabb anyagokat közölhessünk tőle itt, a katonai rádiógyűjtők méltán legnépszerűbb magyar oldalán…

Fények és árnyékok

(HA8BDE)
A kezelő távírászoknak természetesen lehetőségük volt arra, hogy az antenna készletből kisebb, vagy két készletet használva, nagyobb antennát építsenek össze. A tizenkét méteres antennába egy-egy csőtagot betoldva tizenöt méteres antennát, vagy egyetlen csőtaggal és a tetőhuzalok elhagyásával 7,5 méteres ostort lehetett felépíteni. Ez utóbbival gyakorlatokon a telepítési és bontási időt jelentősen rövídítették. Ha feltételezett atomcsapás miatt pár perc alatt el kellett hagyni a települési helyet, a kisebb antenna bontása előnyt jelentett.

(HA8BDE)
A kocsi belsejében, az adót és vevőt tartó állvány jobb oldalára szerelték fel az antenna átkapcsolót, mely kialakításánál fogva egy antenna vezetékét kapcsolta felváltva az adóra vagy a vevőre. Tehát a távírásznak, minden alkalommal amikor adásról vételre vagy vételről adásra váltott, az antennát is át kellett kapcsolnia. Ez telepes üzemben még fontosabb volt, mint hálózatról üzemeléskor, mert az antenna kapcsoló indította az umformereket.
Nem lehet elhallgatnunk, hogy a különféle antennák használata minden letelepülés alkalmával némi szerelést igényelt a távírászok részéről, ugyanis az antenna kapcsoló kimenetére mindkét kivezető szigetelő rá volt kötve, viszont a magasantennát egy külön vezetékdarabbal kellett az oldalszigetelővel és a szikraközzel összekötni.

Vevőskála (HA8BDE)
Magasantenna bekötése esetén célszerű volt a két méteres gépkocsi antennát leszerelni. Menetközben természetesen a kétméteres gépkocsi antenna volt rákötve az antennakapcsolóra, illetve az említett, de nem rendszeresített harckocsi antenna. Ha nem volt szükség az umformerek használatára (tehát aggregátoros vagy hálózati üzemnél) akkor ki lehetett hagyni az antennakapcsolót: egyszerűen a vevőt kötötték a gépkocsi antennára (ezt a vevő érzékenysége lehetővé tette) és az adót a felépített magasantennára. Ez a megoldás csak közeli állomások vétele esetében volt lehetséges, pl. ha az elöljáró egy R-40-el vagy egy másik R-30-al húsz kilométeren belül települt.

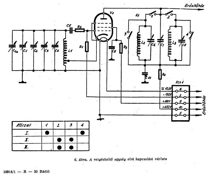
Az antennakapcsoló (HA8BDE)
Rádióállomásoknál a földelésnek hasonló fontossága van, mint az antennáknak, ugyanis a sugárzó nyílt rezgőkör részét képezi az un. Thomson-tükör, ami nem más, mint az antenna alatti földelőhálózat, illetve föld-kapcsolat. Ugyanakkor nem lehet figyelmen kívül hagyni a villámvédelem és az érintésvédelem szempontjait, melyek igénylik a jó földelést. A kocsiból 12 méterre felfelé kiemelkedő fémostor zivatarban vonzotta a villámokat.

Adóskála (HA8BDE)
A rádióállomáshoz eredetileg két darab un. vízbeöntős földnyársat rendszeresítettek, melyekből az egyikkel a kocsit, a másikkal az áramfejlesztőt kellett leföldelni. A földnyársat mintegy 80 cm mélyre volt szokás leütni, utána kb. fél-egy vödör vizet kellett a földnyárs tölcsérébe beönteni. Nedves talajnál ez a vízbeöntés elhagyható volt.

(HA8BDE)
A tervezők elképzelése szerint a kocsin szállított Marmon-kannák egyikében vizet kellett szállítani a földelés és az akkumulátor karbantartás céljaira, ezt azután vagy betartották, vagy nem…
A kocsiszekrényt a jobboldali lépcső tartóvázára hegesztett csavarnál lehetett leföldelni. Ide kötötték be a villámhárító szikraközről érkező vezetéket és a földelőnyárs vezetékét. Ha elhanyagolták a szikraköz bekötését, a szikra a kocsiszekrény belsejében, az antennakapcsolónál ugrott át…

A szikraköz a HM HIM gépkocsiján (HA8BDE)
Az R-30 rádióállomást rövid idő, tízenkét év használat után, az 1965-ben rendszeresített utódai, a szovjet fejlesztésű R-104, majd R-125 rádióállomások leváltották, annak ellenére, hogy a régi rádióállomásokkal, megfelelő antennával bármikor megbízható kapcsolatot lehetett létesíteni az országon belül.

A gyári rajz a földelésről (HA8BDE)
A rádióállomással szerzett tapasztalatok alapján megkockáztatjuk a kijelentést: az R-30, a korszak legjobb magyar csapatrádiója volt.

(HA8BDE)
A helyette rendszeresített új rádióállomások szolgáltatásai kétségtelenül meghaladták az R-30-at, a beépített szűrőkkel zavarsugárzásuk lényegesen kisebb, antennáik jobban illeszkedtek a kistávolságú csapatvezetési követelményekhez, GAZ-69 gépjárművük menetben mozgékonyabb, gyorsabb volt, azonban sok mindenben elmaradtak az R-30 kocsitól. A telepek kapacitása kicsinek bizonyult, a munkatér hang- és hőszigetelése a ponyvatető alatt egyenlő a nullával. A távírászok nagyon védtelenek voltak. Ráadásul az R-104 típusú adó-vevő lehangolása sem volt olyan látványos mint az R-30-é, a távírász sokszor nem tudta jut-e áram az antennára? Az egész felszerelésen látszik, hogy menetre, mozgó háborúra, támadó harcra készült, védelemre vagy stabíl településre alkalmatlan.

Az R-104-es állomás a Hajag-tetőn (HA8BDE)
(A szerző köszönettel tartozik Lázin Miklós András úrnak a dokumentáció átadásáért, Damasek Péter, Kollár Ernő és Papp Zoltán uraknak, rajzok és fényképek átadásáért, valamint Solti István és Széchenyi István uraknak műszaki információkért.)
Baráti 73!
HA8BDE Dénes
és
HA5CBM Miklós
Military Szakosztály
